Проектирование САУ и поставка приводов для Линия термостатирования
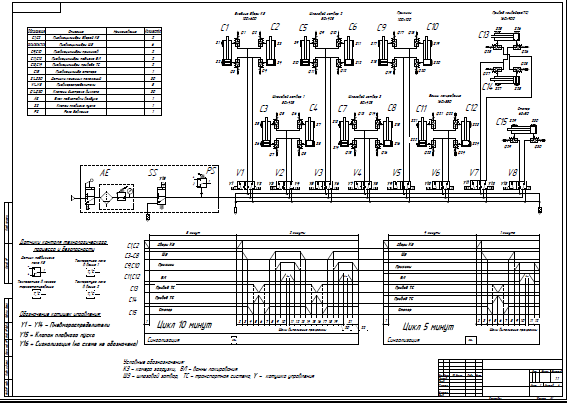
Инженеры компании ПромАвтоматика закончили проектирование и наладку системы автоматического управления по проекту "Линия термостатирования" для АО "БМЗ". Автоматическая линия представляет собой горизонтальный подвесной конвейер. Шкаф управления выполнен на базе пневмоэлементов и микроэлектроники (ПЛК ОВЕН).
Инженеры компании ПромАвтоматика закончили проектирование и наладку системы автоматического управления по проекту "Линия термостатирования" для АО "БМЗ". Автоматическая линия представляет собой горизонтальный подвесной конвейер. Шкаф управления выполнен на базе пневмоэлементов и микроэлектроники (ПЛК ОВЕН).
Управление линии осуществляется либо с пульта управления в ручную, либо в автоматическом режиме по двум, заранее заложенным, циклам. Шкаф управления оснащён сенсорной панелью, на которой отображаются технологические процессы, происходящие в реальном времени.


